产品资讯 市场信息 公司资讯

滑动开关-SSS Series选型指南

12月17, 2011

产品特征
SSS


MECHANICAL
Operation Force:180±170gf
Operation Temperature Range:-10℃ to +60℃
Storage Temperature Range : -20℃ to +75℃


ELECTRICAL
Electrical Life : 10,000cycles
Rating: 25mA, 24VDC
Contact Resistance : 70mΩmax.
Insulation Resistance : 100MΩmin. at 100VDC
Dielectric Strength : 100VAC/1 minute
Circuit : 1 P2T

 
 
选型指引
 SSS选型指引
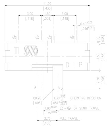
外形尺寸
滑动开关-SSS12L SSS12L尺寸
滑动开关-SSS12R  SSS12R尺寸



相关产品:滑动开关-SSS Series

想了解更详细的产品规格,请与本公司业务人员联系!
返回

在线咨询

销售客服1 销售客服3

扫描二维码手机浏览