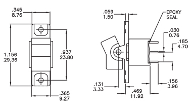
 |
SPECIFICATIONS
CONTACT RATING: Dependent upon contact material.
MECHANICAL LIFE: 30,000 make – and – break cycles.
CONTACT RESISTANCE: 10 mΩ max .initial @ 2-4VDC 100mA for both silver and gold plated contacts.
INSULATION RESISTANCE: 1,000MΩ min.
DIELECTRIC STRENGTH: 1,000V RMS@sea level.
OPERATING TEMPERATURE: -30℃ to 85℃.
MATERIALS
CASE& BUSHING: (UL94V-0). Glass filled nylon 6/6,flame retardant,heat stabilized
ACTUATOR: Nylon, black std.internal O-ring seal standard with all actuactors.
FRAME: Spring steel, black std
SWITCH SUPPORT: Brass or steel , tin plated.
ACTUATOR PIVOT & MOUNTING BRACKET: Nylon
ACTUATOR PIVOT RETAINER: Stainless steel.
CONTACTS/TERMINALS: Silver or gold plated copper ally.
SPECIFICATIONS
|