专业开关整合制造商
新闻中心
TLLA-7系列带灯按键开关是本公司最新研发的一款带灯开关产品,下面对此系列带灯开关产品进行简单的介绍:
产品图片

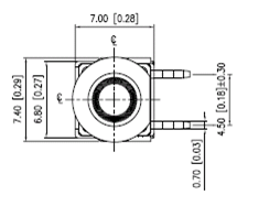
产品尺寸图:

TLLA-7规格参数
TACT SWITCH+LED
Style :Tact Switch Right Angle+LED Type
Type of LED:
單燈:R(Red),G(Green),Y(Yellow)
B(Blue),PG(Pure Green),W(White)
雙燈: 例如RG(Red,Green)等
使用及儲存溫度: -40~+85℃
Contact Resistance(接觸阻抗值): 100mΩ max.
Operating Force (操作力): 160±50gf
Stroke(作動量): 0.20±0.10 mm
Operating Life(壽命): 50,000 cycles
售價: USD$0.xx/PC(藍&純綠&白燈) 有外蓋
USD$0.xx/PC(藍&純綠&白燈) 無外蓋
註:(一般紅黃綠燈)以上售價約少
USD$ 0.xx
產能: 50pcs/1hr
TLLA-7應用範圍:
伺服器,工業電腦,桌上型電腦,血壓計等…
開發原因:補足帶燈開關產品線
使用注意事项:
開關本體可以過reflow製程, 帽蓋無法過reflow製程, 僅可過dip製程, 如客戶需要過reflow製程, 請客戶將開關過完reflow後, 再行組裝帽蓋
帽蓋印字種類甚多, 客戶確認印字樣式。
想了解更多带灯开关产品信息,请直接进入带灯开关产品中心
文章出处:轩立电子 网址 http://www.taclex.com/

扫描二维码手机浏览